
關注電力行業最新資訊,掌握一手資源

關注電力行業最新資訊,掌握一手資源
時間:2025-08-04 14:42:43 來源:本網
背景:
安裝工商業光伏本是為了降本增效,但青島某制造企業投入巨資建設的3MW光伏電站并網僅一個月,不僅沒省下預期電費,反而收到了一張高達23萬元的電網罰單!這讓企業負責人直呼“太冤枉”!海德萊電力,深入剖析了這起典型案例,揭示了一個極易被忽視的關鍵問題——功率因數不達標。這究竟是怎么回事?海德萊電力又如何幫助企業化險為夷?本文將為您深度解析。

一、預期收益變罰款?問題直指功率因數!
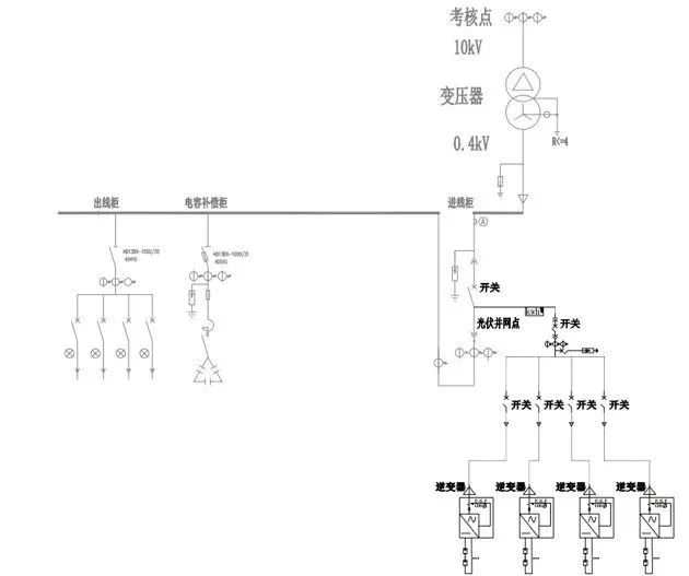
該制造企業建設3MW屋頂光伏項目,初衷是利用工商業用電量大、電價高的特點,通過“自發自用,余電上網”模式,顯著降低電費支出,并獲取可觀的投資回報(據權威研究,工商業光伏項目IRR通常高于戶用)。項目順利并網后,企業卻發現當月電費賬單不降反升,更收到了電網公司開具的23萬元力調電費罰款單。
問題核心浮出水面: 經海德萊電力技術團隊緊急診斷,發現并網后系統的功率因數(PF) 大幅低于國家標準(工業用戶通常要求≥0.9),直接觸發了電網的懲罰性電費機制。

二、海德萊電力科普:功率因數低,為何會挨罰?
什么是功率因數? 簡單說,它是衡量電能利用效率的“成績單”,范圍在-1到1之間。越接近1,說明用電設備“實打實”消耗的電能越多,效率越高;越低則意味著大量電能被“無效消耗”(無功功率),造成電網資源浪費。
低功率因數的“代價”:
基礎電費增加: 電網是根據視在功率(S) 來核定用戶的基本電費(容量費)。視在功率(S² = 有功功率(P)² + 無功功率(Q)²)。功率因數低(PF = P/S),意味著在提供相同有用功(P)的情況下,需要更大的視在功率(S)。這就好比雇了一輛大卡車(S大),卻只裝了半車貨(P?。?,但油費、磨損費(基本電費)還得按大卡車算!
力調電費罰款: 這是直接的懲罰!電網需要額外投入設備(如無功補償裝置)來“兜底”用戶產生的過多無功功率,維護電網穩定。功率因數持續低于考核標準,用戶就必須按比例繳納這筆“罰款”。

三、海德萊電力深度剖析:光伏并網為何會拉低功率因數?
該項目的痛點極具代表性,海德萊電力總結了工商業光伏項目中導致功率因數惡化的兩大常見原因:
“自發自用”模式下的補償失衡: 光伏逆變器主要輸出有功功率(P)。當光伏發電供給負載使用時,負載從電網獲取的有功減少。此時,如果原有的電容補償柜的采樣點設置或策略不當(通常采樣電流減?。瑫е码娙萃度氩蛔?。結果是:負載所需的無功功率(Q)依然存在甚至相對占比增加(因為P光伏提供了部分P),電網提供的Q占比顯著增大,導致在電網計量考核點的功率因數(PF = P電網 / S)急劇下降。

并網點位置與補償策略沖突: 部分項目為了節省成本,將光伏并網點設置在電容柜采樣點(CT)之后。這相當于默認光伏和負載是“一路電源”。當光伏提供大部分有功時,電容柜可能按負載需求補償了無功(局部功率因數達標),但電網側主要提供的是無功功率,此時電網考核點的功率因數會變得非常低。


海德萊電力特別指出: 即使在“全額上網”模式下,如果無功補償策略(電容柜投切)與逆變器輸出不協調,也可能因功率因數(要求接近-1)控制不佳而面臨罰款風險。
四、海德萊電力解決方案:專業的“無功補償”是光伏電站的必修課!
功率因數問題絕非小事!國家電力法規明確規定,功率因數低的工礦企業必須配備無功補償裝置。一個合格的、能真正為用戶省錢的光伏電站,必須將無功補償作為核心考量。
海德萊電力擁有成熟的無功補償技術方案,針對不同場景靈活應用:
個別補償: 適用于大型、連續運行的單一設備(如大電機),就近補償,效果最佳,但投資相對較高。
分組補償: 在車間或分路配電室安裝電容器組,按需投切,平衡效果與投資。
高采低補: 采集高壓側電流,在低壓側進行補償,解決變壓器空載,輕載。
其他方案:根據現場情況進行處理。
針對光伏項目的特殊挑戰,海德萊電力提供專業定制:
海德萊電力深刻理解光伏接入對原有配電系統無功平衡的沖擊。我們不僅提供標準的補償方案,更擅長為光伏項目量身定制智能無功補償系統。該系統能:
精準監測: 實時跟蹤并網點和關鍵節點的功率因數、有功、無功。
動態響應: 根據光伏出力波動和負載變化,智能調節電容補償量(或結合SVG等先進設備)。
協調控制: 確保在光伏大發時,電網側提供的無功比例合理,維持考核點功率因數穩定達標。
避免過補/欠補: 防止無功倒送或補償不足,徹底規避力調電費罰款。

五、海德萊電力成功案例:從“罰款”到“零罰款”的轉變
上海某知名實業公司的低壓光伏并網項目(自發自用,余電上網)就曾深受其害:并網后原有電容柜頻繁誤動作,功率因數波動大,多次被罰。在海德萊電力介入后,我們為其設計并安裝了定制化的光伏專用無功補償解決方案。方案實施后:
電容柜投切混亂問題徹底解決。
系統功率因數穩定維持在0.95以上,遠超考核標準。
力調電費罰款歸零! 光伏發電的降本效益得到真正體現。

海德萊電力鄭重提醒工商業光伏投資者:
安裝光伏是明智的投資,但忽視功率因數問題,可能讓“省錢利器”變成“罰款陷阱”!在項目規劃、設計、建設階段,務必選擇像海德萊電力這樣具備深厚電力系統功底和豐富光伏并網經驗的服務商。我們將功率因數管理和無功補償方案作為項目的核心環節,確保您的光伏電站不僅發電賺錢,更能穩定、合規、高效地運行,最大化您的投資收益,杜絕“裝光伏反被罰”的冤枉事!
選擇海德萊電力,為您的綠色投資保駕護航!
注意:有任何無功補償問題,請掃碼咨詢,如有其他問題可每天下午3點半進入我司技術人員直播間探討無功補償解決方案。


Online consultation
Related News

電話:400-803-3226
商務:15926374356
技術支持:15618019386
時間:9:00-19:00
地址:江蘇省常州市新北區高新科技園創新科技樓北區A座206

電話:400-803-3226
商務:15926374356
技術支持:15618019386
時間:9:00-19:00
地址:江蘇省常州市新北區高新科技園創新科技樓北區A座206
